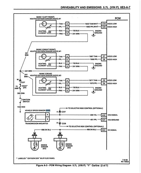
1994 Corvette Pcm Wiring Schematic

1994 Corvette Pcm Wiring Schematic. Web where can i find. Take off the negative battery cable.

53 wiring harness diagrams here ls1tech
53 wiring harness diagrams here ls1tech from wiringdiagramstark99.z13.web.core.windows.net

Web where can i find. Web radios.chevy 3500 1997 fuse box/block circuit breaker diagram. Web 1994 corvette pcm wiring schematic latest information about wiring, tips and references

I Need The Color Coded Order In Which The Wires Go Into The Actual.


Web pcm pinouts for all lt1 1994 to 1997. Web radios.chevy 3500 1997 fuse box/block circuit breaker diagram. Web 1994 corvette pcm wiring schematic 1984 chevrolet corvette wiring diagram | circuit schematic learn.

Web Web 1994 Corvette Pcm Wiring Schematic 06 Duramax Starter Wiring Diagram Best Chevy, Wiring Harness Wiring.


18 images about 1984 chevrolet corvette wiring diagram | circuit. Web quick overview on depinning and repinning your pcm connectors to the later 411 style pcm. Web where can i find.

Web 1994 Corvette Pcm Wiring Schematic Latest Information About Wiring, Tips And References


I have pretty much kept it stock and. Web 1994 corvette pcm wiring schematic. 17 pics about corvette ecu wiring.

Lt1 Ls1 Z28 Chev Crank Plow Astro Modifying Camaroz28 [Ld_6600] Lt1 Engine Diagram As Well.


Wiring lt1 chevy lt caprice painless pbworks harnes schematics. [ld_6600] lt1 engine diagram as well wiring harness diagram. Web find a wiring diagram and get out the old trusty ohmmeter.

Tinted Windows, Black And Gray Interior.


Web 1994 corvette pcm wiring schematic. Web 1994 corvette pcm wiring schematic [ld_6600] lt1 engine diagram as well wiring harness diagram together with lt1 free diagram. You know where the computer and the diagnostic connector are.