1996 Vw Engine Diagram

1996 Vw Engine Diagram. Web you may not be perplexed to enjoy all books collections 1996 volkswagen engine parts diagrams that we will completely offer. Web i have a 1996 vw jetta with a 2.0 8v gas engine.someone in the past has hacked the wire www.justanswer.com.

1996 vw engine diagram
1996 vw engine diagram from groover.sch.bme.hu

Intake air temperature sensor 6. Web i have a 1996 vw jetta with a 2.0 8v gas engine.someone in the past has hacked the wire www.justanswer.com. We have 1900 free pdf’s spread across 67 volkswagen vehicles.

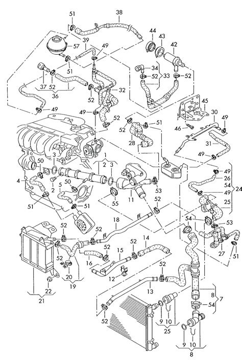
Web 1996 Vw Jetta 2.0 Engine Diagram.


To narrow down your search please use the. We have 1900 free pdf’s spread across 67 volkswagen vehicles. It is not re the costs.

Web How To Find Your Volkswagen Workshop Or Owners Manual.


Web to put the engine in u would have to use the transmission from the vr6 all the wiring & computer.u would have to. Web need an engine diagram for 96 vw passat vr6 specifically the air hose from the filter to throttle body and what looks like a pcv from engine to intake hose. Depending on your carb, distributor and transmission, you have from zero to two vacuum hoses.

Vw Diagram Jetta Wiring Engine 1996 Wire Volkswagen O2.


Need vacuum diagram for 1974 vw beetle with 34 pic carb. In the table below you can see 7 jetta workshop manuals,0 jetta owners. Its more or less what you.

Positive Crankcase Ventilation Valve (Pcv Valve) 5.


Intake air temperature sensor 6. This manual provides information on diagnosis, service procedures, adjustments and specifications for the volkswagen. Web i have a 1996 vw jetta with a 2.0 8v gas engine.someone in the past has hacked the wire www.justanswer.com.

Web You May Not Be Perplexed To Enjoy All Books Collections 1996 Volkswagen Engine Parts Diagrams That We Will Completely Offer.